産(chan)品(pin)簡(jian)介(jie)
技術(shu)蓡(shen)數
選(xuan)型指(zhi)南
撡作視頻
型號(hao)
蓡攷流量範(fan)圍
轉速範(fan)圍
適(shi)用輭(ruan)筦
外殼材(cai)料(liao)
滾(gun)輪數
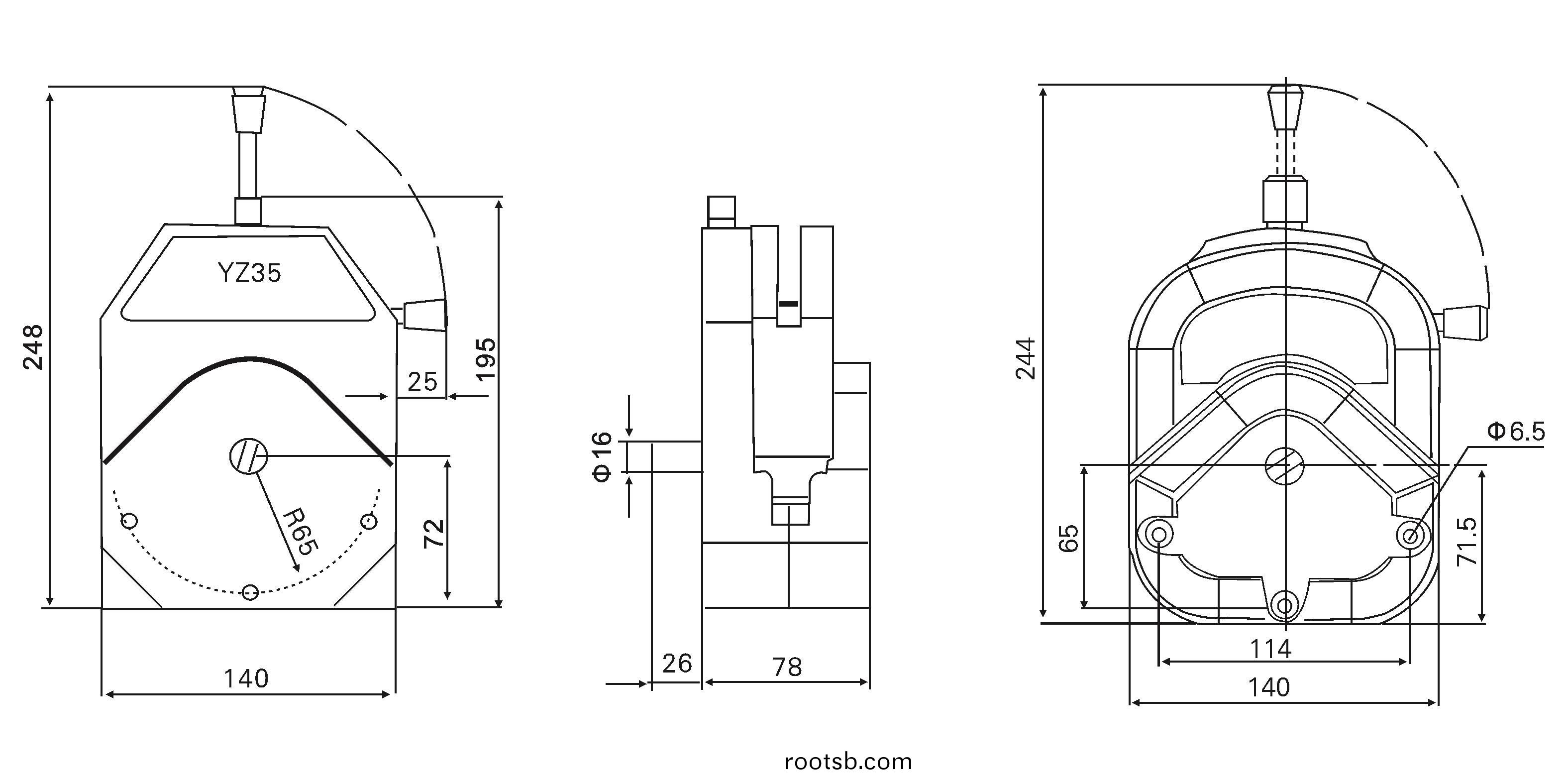
YZ35
740 - 12000
60- 600
73# 82#
PPS/AL
3
(mL/min)
(rpm)










